《地下綜合管廊支架預埋槽托臂都有哪些規格型號?》
隨著空間結構研究的深入,地下空間管線排布進入了裝配式結構的時代,電力電纜橋架、消防水管、消防排煙管、給排水、空調排風管、機械排風管的安裝配件都采用了工廠預制加工,單支架俗稱托臂(以下通稱“托臂”)的機械加工最為常規。

那么,地下綜合管廊支架預埋槽托臂都有哪些規格型號呢?
托臂的組成由托臂底座與C型槽鋼(背打孔)焊接而成,材質選用Q235B或Q345B,焊接工藝是氣體保護焊。
當采用Q235B材質時,其鋼材強度的設計值如下表:

(鋼材的強度設計值(N/mm2))

(與托臂配套的螺栓、螺母的最小扭矩表(N.m))
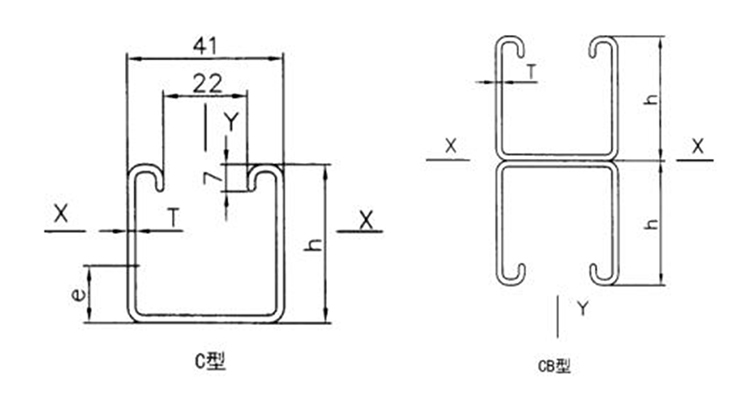
托臂槽鋼類型有兩種,C型、CB型,如下圖:

參數見下表:

南京曼卡特在本次管廊項目上供貨的是:預埋槽38/23,橫梁單托臂,頂管雙托臂,T型螺栓。閬中的是38/23的預埋槽,單托臂41*41*2.5,雙托臂2-41*41*2.5。如果您的項目也需要用到各種規格型號的管廊支架、橋架托臂等,歡迎咨詢南京曼卡特:400-894-5118。



據悉,國務院提出計劃用10年時間完善城市地下管線體系,并提出在36個大中城市進行綜合管廊試點工程。城市地下綜合管廊建設相當于建設一條地下“高速公路”,將有效帶動城市和經濟發展。
南京曼卡特經過15年不懈努力,不斷發展和壯大,已在北京、西安、成都、福建等國內數十個城市建立銷售網點,客戶遍布我國30多個省市及地球20多國。如果你想知道你所在的城市是否也有托臂現貨,歡迎撥打免費咨詢熱線:400-894-5118。
編輯者:南京曼卡特
版權歸hnfc001.com所有,如需轉載,請注明出處

建筑混凝土結構加固設計時如何選用錨栓?|南京曼卡特建筑加固材料廠家
建筑混凝土結構加固設計時如何選用錨栓?|南京曼卡特建筑加固材料廠家
隨著建筑加固行業的不斷發展,錨栓在建筑加固工程中的應用也越來越廣泛,那么所有的加固工程中都可以使用同種錨栓嗎?不同的錨栓可以互相替代嗎?相信很多朋友心里都有答案了,不同的錨栓肯定不能隨意替代的,小曼在這里結合《混凝土結構加固設計規范》(GB50367-2013)給大家分享一些在選用錨栓時需要注意的事項。 【更多詳情】電話:025-66043886
手機:13813882444
傳真:025-86558500
QQ:598146695
地址:南京市鼓樓區集慶門大街268號蘇寧慧谷E08幢27層